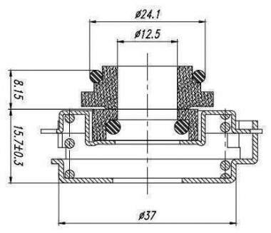
Температура: -20°~150°
Давление: ≤1.5 МПа
Скорость: ≤15 м/сек
Применяется в насосах Grundfos: JP, Ch8, Ch12, CRK(|)2, CRK (|) 4 серії. SPK1, SPK2, SPK4, SPK8 серії. Cr2, Cr4 серии. CM 1/3/5 - AQQE/V - 96932392

Торцевые уплотнения к насосам grundfos Применяется в таких типах насосов Grundfos: JP, Ch8, Ch12, CRK(|)2, CRK (|) 4 серії. SPK1, SPK2, SPK4, SPK8 серии. Cr2, Cr4 серии.
Артикул Grundfos: 96932392 / 96932350.
CM 1/3/5 - AQQE/V - 96932392
Насос CM представляет собой компактный горизонтальный многоступенчатый центробежный насос с: 1-фазным, 220-240 V, 50 Hz, монтируемым на лапах электродвигателем. Насос с осевым всасывающим каналом и радиальным выпускным каналом, включая торцевое уплотнение вала особой конструкции в исполнении AQQE. Вал, рабочие колёса, камеры и пробки заливочных отверстий выполнены из нержавеющей стали. Всасывающий и нагнетательный трубопроводы изготовлены из Нержавеющая сталь.