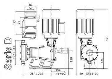
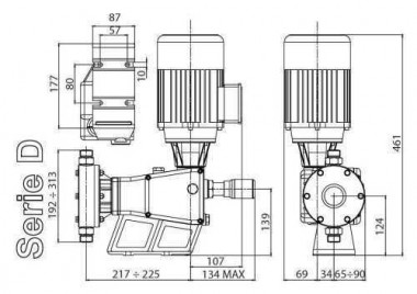
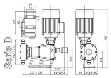
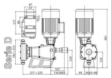
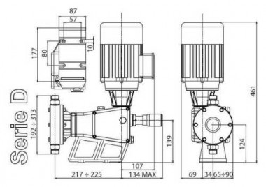
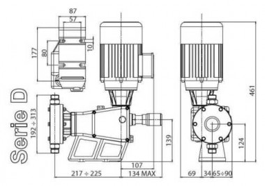
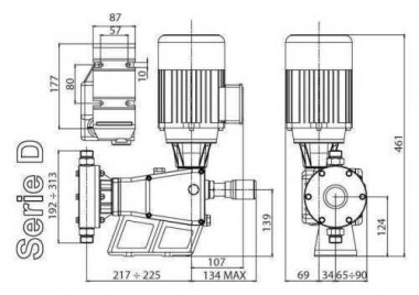
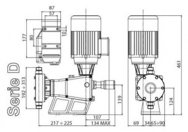
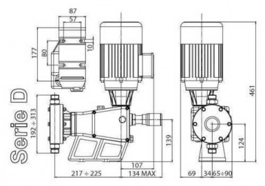
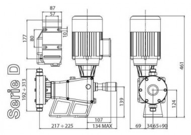
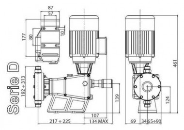
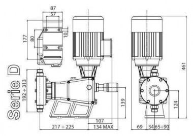
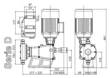
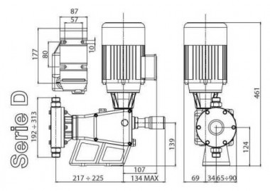
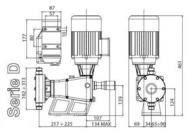
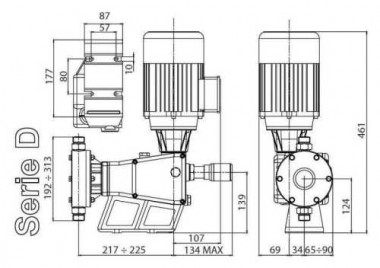
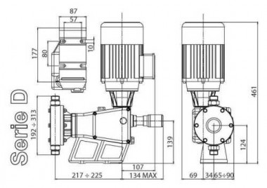
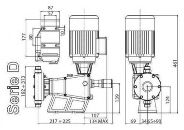
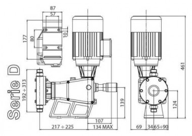
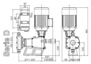
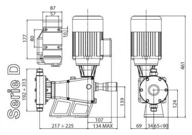
Моторные мембранные насосы D с механическим приводом используется для дозирования жидких химических растворов. Дозируемая жидкость может быть абразивной или содержать твердых примеси.
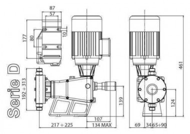
Моторные мембранные дозировочные насосы серии D производительность: 56÷574 л/ч. давление: 2÷12 бар.
Производительность насоса регулируется в ручном режиме при помощи микрометрического винта, который управляет длиной хода поршня в пределах 10% -100%. Регулировку можно проводить как на остановленном, так и на работающем насосе.
Автоматизация регулирования производительности возможна при применении сервомотора (поставляется дополнительно). Сервомотор самостоятельно вращает микрометрическую ручку насоса и управляется входным сигналом 4-20 mA или 0-10V DC.
Возможно также регулирование производительности насоса - путем изменения частоты рабочих тактов. Это возможно при применении внешнего частотного преобразователя, который будет изменять частоту вращения электродвигателя. При этом желательно использовать насосы со специальными электродвигателями с автономной вентиляцией - для предотвращение перегрева двигателей при работе на пониженных оборотах.

| Артикул | Наименование | Производительность при противодавлении | Головка насоса | Соединения | |
|---|---|---|---|---|---|
| л/ч | бар | ||||
| BD0079BA00000 | Химический мембранный насос D-BA 79/10, 400/3/50, 0,25 кВт | 79 | 10 | ПВХ | 3/4" Gm |
| BD0135BA00000 | Химический мембранный насос D-BA 135/10, 400/3/50, 0,25 кВт | 135 | 10 | ПВХ | 3/4" Gm |
| BD0158BA00000 | Химический мембранный насос D-BA 158/8, 400/3/50, 0,25 кВт | 158 | 8 | ПВХ | 3/4" Gm |
| BD0150BA00000 | Химический мембранный насос D-BA 150/7,5, 400/3/50, 0,25 кВт | 150 | 7.5 | ПВХ | 1" Gm |
| BD0257BA00000 | Химический мембранный насос D-BA 257/6, 400/3/50, 0,25 кВт | 257 | 6 | ПВХ | 1" Gm |
| BD0300BA00000 | Химический мембранный насос D-BA 300/5, 400/3/50, 0,25 кВт | 300 | 5 | ПВХ | 1" Gm |
| BD0278BA00000 | Химический мембранный насос D-BA 278/3,5, 400/3/50, 0,25 кВт | 278 | 3.5 | ПВХ | 1" Gm |
| BD0478BA00000 | Химический мембранный насос D-BA 478/2,5, 400/3/50, 0,25 кВт | 478 | 2.5 | ПВХ | 1" Gm |
| BD0535BA00000 | Химический мембранный насос D-BA 535/2, 400/3/50, 0,25 кВт | 535 | 2 | ПВХ | 1" Gm |
| BD0278BA00600 | Химический мембранный насос D-BA 278/4, 400/3/50, 0,37 кВт | 278 | 4 | ПВХ | 1" Gm |
| BD0478BA00600 | Химический мембранный насос D-BA 478/3, 400/3/50, 0,37 кВт | 478 | 3 | ПВХ | 1" Gm |
| BD0535BA00600 | Химический мембранный насос D-BA 535/2,5, 400/3/50, 0,37 кВт | 535 | 2.5 | ПВХ | 1" Gm |